9.4.2. Снятие и установка фары
Снятие фары проводите в следующем порядке:
— снимите решетку радиатора;
— в моторном отсеке снимите защитную крышку фары;
— отсоедините штекерный разъем из патрона лампы фары, расположенной с тыльной стороны фары;
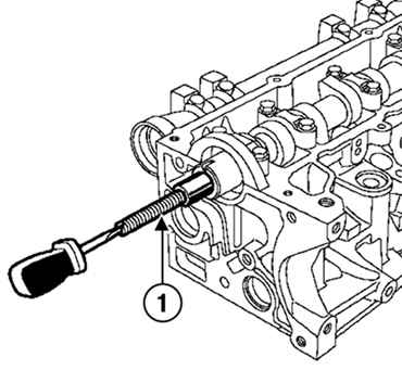
— спереди отверните четыре винта крепления фары (рис. 9.10);
— фару целиком вытяните на себя;
— отсоедините разъем сервомотора регулировки угла наклона оптической оси фары.
Установку фары проводите в порядке, обратном снятию. Обратите внимание на то, чтобы внешняя сторона фары с направляющей плотно прилегала к кромке крыла.
После установки фары проверьте и при необходимости производите регулировку фар. Рекомендуем производить регулировку фар на СТОА.
Снятие и установка сервомотора гидрокорректора фары
Сервомотор можно заменить только при снятом корпусе фары. После замены сервомотора необходимо произвести регулировку светового пучка фар.
Перед снятием сервомотора поверните его влево (рис. 9.11, стрелка), если речь идет о сервомоторе правой фары, или вправо — для сервомотора левой фары.
При установке сервомотора поставьте его вал в направляющую шаровой головки на рефлекторе. При этом придержите рефлектор через отверстие для лампы фары, чтобы вал мотора вошел в зацепление. Закрепите сервомотор поворотом его в противоположном направлении.
Проверьте работоспособность сервомотора, поставив автомобиль перед стеной и включив габаритный свет, после чего произведите точную регулировку фары в автосервисе. Регулировка наклона оптической оси фар действует только при ближнем свете.
Регулировка фары
|
Рис. 9.12. Регулировка фары: 1 — винт регулировки в горизонтальной плоскости; 2 — винт регулировки в вертикальной плоскости
|
Регулировка фары производится вращением регулировочных винтов 1 и 2 (рис. 9.12), которые поворачивают оптический элемент в горизонтальной и вертикальной плоскостях.
На СТОА производится точная регулировка фар с использованием специального измерительного устройства и лишь в случае крайней необходимости можно самостоятельно произвести грубую регулировку.
Грубую регулировку фар проводите в следующем порядке:
— поставьте полностью заправленный и снаряженный автомобиль на ровной горизонтальной площадке в 5 м от гладкой стены или какого-либо экрана так, чтобы ось автомобиля была ему перпендикулярна;
— положите на сиденье водителя груз массой 75 кг;
— удостоверьтесь, что давление в шинах соответствует норме;
— качните автомобиль сбоку, чтобы установить пружины подвесок;
— замерьте расстояние между землей и центрами фар. Нанесите эти точки на стену и проведите через них прямую;
— проведите на стене вторую прямую ниже первой на 50 мм;
— нарисуйте на стене точно по центру автомобиля вертикальную прямую;
— замерьте расстояние между серединой автомобиля и центрами фар (правой и левой). Отметьте крестиками на стене это расстояние, отложенное от вертикальной линии вправо и влево, на первой прямой (верхней);
— точно в 50 мм под этими крестиками (на нижней прямой) должны находиться точки изгиба луча ближнего света фар. (Если это так, то грубую регулировку проводить не нужно);
— убедитесь, что фары находятся в исходном положении (на переключателе цифра «0»);
— последовательно, сначала для правой фары (левая закрывается куском материи или темной материи), а затем для левой (правая закрыта) отрегулируйте винтами световые пучки фар;
— включите зажигание и ближний свет фар;
— регулировочным винтом 2 (см. рис. 9.12) вертикальной развертки установите нижнюю границу луча ближнего света на нижнюю горизонтальную прямую;
— регулировочным винтом 1 горизонтальной развертки установите точку изгиба границы ближнего света на соответствующий крестик;
— при этом «правильная» регулировка дальнего света фар достигается автоматически.
Некоторые модели оборудованы системой регулировки направления света фар с электрическим приводом, управляемой выключателем на приборной панели. На таких моделях необходимо перед регулировкой луча фар установить этот выключатель в положение «выключено».
Тем не менее при первой же возможности произведите точную регулировку фар на СТОА.
Полезный совет
Сразу после точной регулировки фар на СТОА (при помощи специального устройства) пометьте рисунок лучей отрегулированных фар на двери своего гаража, точно поставив автомобиль на расстоянии 5 м от двери гаража так, чтобы ось автомобиля была перпендикулярна ей. Расстояние должно быть точно вымерено, а не оценено на глаз. Включите дальний свет фар и пометьте крестиками на двери гаража центры пучков света обеих фар.
Теперь при проведении грубой регулировки фар можно будет воспользоваться нанесенными метками. Нужно будет только поставить автомобиль в том же положении перед дверью гаража и проверить, совпадают ли центры пучков света фар со сделанными ранее метками, и при необходимости отрегулировать фары.


