Поиск

Kia Sportage

Сервисное обслуживание и эксплуатация
Предлагаем Вашему вниманию адресно-телефонный справочник автопредприятий предоставляющих товары и услуги автомобилям Kia:
 

6.3.4 Проверки системы заряда

Проверки системы заряда

 border=

Прежде чем приступать к выполнению проверок, ознакомьтесь с перечнем мер безопасности при обслуживании компонентов системы заряда (см. Раздел Система заряда - общие сведения и меры безопасности).

Помните, что выход из строя генератора не является единственной возможной причиной нарушения исправности функционирования системы заряда. При выявлении признаков отказа системы выполните следующие проверки:

  • Проверьте состояние и усилие натяжения приводного ремня генератора, в случае необходимости произведите его замену;
  • Проверьте надежность затягивания болтов крепления генератора;
  • Проверьте состояние электропроводки генератора и ее клеммных соединений, в случае необходимости удалите продукты окисления, подтяните крепеж;
  • Проверьте состояние соответствующих предохранителей, расположенных в главном монтажном блоке (см. Главу Бортовое электрооборудование), - перед заменой пробитого предохранителя устраните причину перегрузки;
  • Запустите двигатель и удостоверьтесь в том, что генератор не издает никаких посторонних шумов, - свист или визг могут свидетельствовать об износе подшипников или щеток;
  • Проверьте полноту уровня заряда аккумуляторной батареи, - помните, что повреждение одной из банок может привести к увеличению тока потребления;
  • Отсоедините от батареи оба провода (сначала отрицательный) и внимательно изучите состояние полюсных клемм, - в случае обнаружения следов коррозии тщательно зачистите клеммы, желательно с применением специальных приспособлений, проследите за надежностью фиксации на клеммах наконечников проводов.

Проверка выходного напряжения

Бензиновые модели

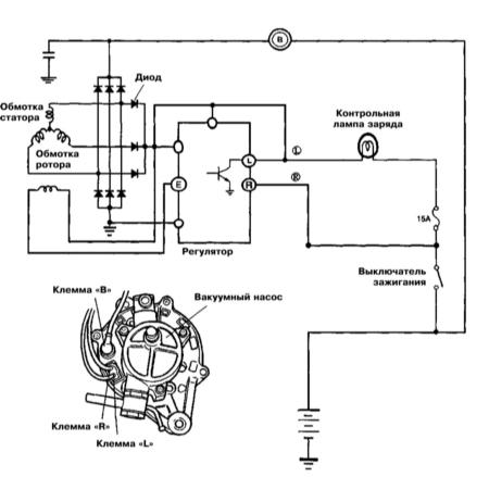
Схема подключения генератора и расположение его контактных клемм (дизельные модели)

6.3.4 Проверки системы заряда Kia Sportage

 ПОРЯДОК ВЫПОЛНЕНИЯ

  1. Проверьте правильность натяжения приводного ремня генератора, измерьте выходное напряжение аккумуляторной батареи при выключенном двигателе, - результат измерения должен составлять порядка 12.4 В.
  2. Запустите двигатель, - если контрольная лампа заряда в комбинации приборов (см. Главу Органы управления и приемы эксплуатации) исправно гаснет сразу после осуществления запуска пропустите две следующие проверки и переходите к выполнению процедуры.
  3. Включите зажигание и опробуйте вольтметром все три клеммы генератора, - на клеммах В и S должно иметь место напряжение батареи (порядка 12 В), результат измерения на клемме L должен составить 1 В. Запустите двигатель и повторите проверку, - на всех трех клеммах должно присутствовать напряжение 14.1 ÷ 14.7 В.
  4. При положительных результатах произведенных измерений проверьте исправность состояния электропроводки на участке цепи между батареей и клеммой В генератора, в противном случае проверьте всю подведенную к генератору электропроводку, - если никакие нарушения выявить не удается, замените генератор (см. Раздел Снятие и установка генератора).
  5. Отсоедините электропроводку от клеммы В генератора, включите все бортовые потребители электроэнергии и выжмите педаль ножного тормоза. Подключите амперметр между клеммой В генератора и разъемом электропроводки, - если при оборотах двигателя 2500 ÷ 3000 в минуту сила измеряемого тока составляет не менее 65 А, следовательно, система заряда функционирует исправно, в противном случае следует проверить правильность натяжения приводного ремня и, в случае необходимости, произвести соответствующую корректировку (см. Главу Текущий уход и обслуживание). Если ремень в порядке, замените генератор (см. Раздел Снятие и установка генератора).

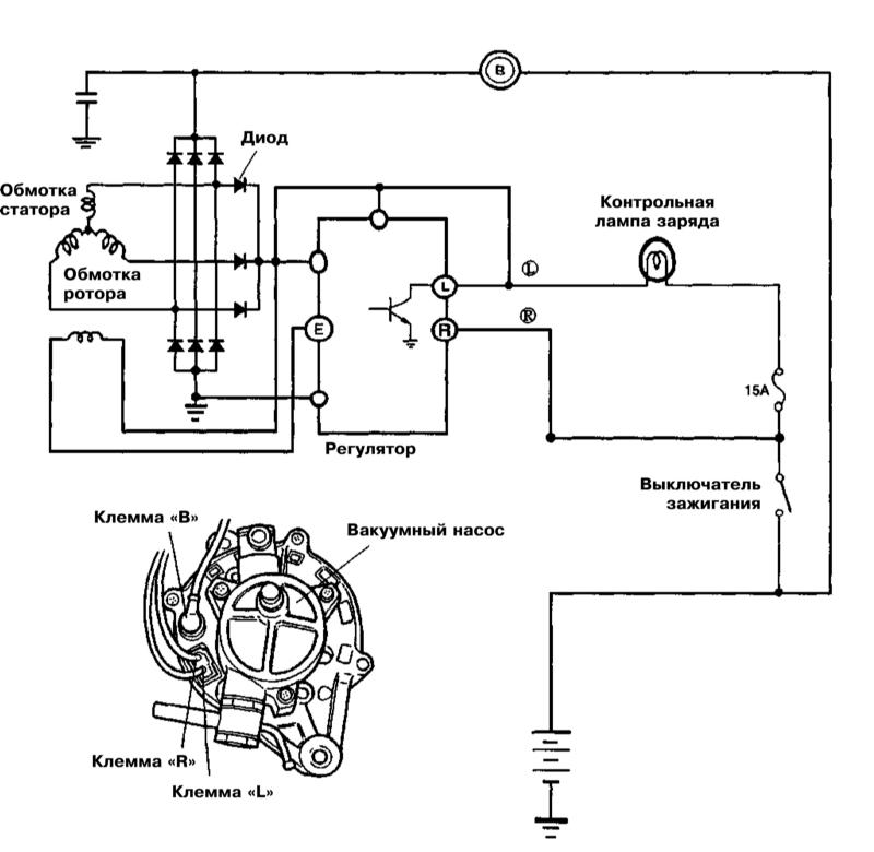
Дизельные модели

Схема подключения генератора и расположение его контактных клемм (дизельные модели)

6.3.4 Проверки системы заряда Kia Sportage

 ПОРЯДОК ВЫПОЛНЕНИЯ

  1. Отсоедините отрицательный провод от батареи.
6.3.4 Проверки системы заряда Kia Sportage
  1. Подсоедините к генератору вольтметр и амперметр в соответствии со схемой.
  1. Подсоедините отрицательный провод к батарее.
  2. Запустите двигатель и включите фары.
  3. Постепенно поднимите обороты двигателя и считайте величину силы выходного тока генератора. Если при наличии выходного тока показание вольтметра превышает напряжение батареи, генератор в порядке.

Проверка вакуумного насоса генератора (дизельные модели)

 ПОРЯДОК ВЫПОЛНЕНИЯ

  1. Наклейте на шкив стартера светоотражающий скотч и подключите к двигателю тахометр.
6.3.4 Проверки системы заряда Kia Sportage
  1. Подсоедините вакуумметр к вакуумному шлангу на участке между вакуумным насосом и вакуумным усилителем тормозов.
  1. Запустите двигатель и проверьте правильность зависимости рабочей характеристики насоса (глубина создаваемого напряжения) от частоты вращения генератора (см. Спецификации Главы Системы электрооборудования двигателя).
 border=

Частота вращения генератора снимается при помощи фотоэлектрического тахометра.


6.3.4 Проверки системы заряда Kia Sportage
  1. Внимательно изучите состояние компонентов насосной сборки, - оцените степень износа корпуса и центрального диска, удостоверьтесь в целостности уплотнительного кольца, измерьте длину шиберных лопаток и внутренний диаметр кожуха. Сравните результаты измерений с требованиями Спецификаций Главы Системы электрооборудования двигателя. В случае необходимости произведите замену.

 border=

Износ нижних поверхностей шиберных лопаток о направляющее кольцо центрального диска является нормой и беспокойства вызывать не должен.


Реклама